Koselig trehytte med veranda, beliggende i et gresskledd område, med trær og fjell i bakgrunnen.

Polar-Stemming

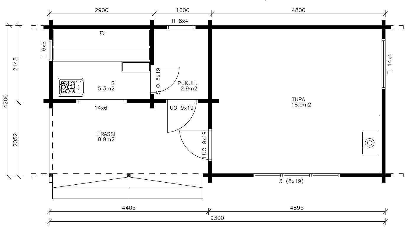
 Huoneistoala: 27 m2 | Kerrosala: 30 m2

POHJAPIIRROS

Ai hjelper deg med å velge den beste boligløsningen.


Den kompetente representanten fra Polarlog hjelper deg med å velge og sette sammen den beste helheten for deg. Ta gjerne kontakt for mer informasjon.

Badstuer og badstuehytter er tilgjengelige med 2 forskjellige leveringsalternativer:

  1. Polar-tømmerbadstuer: Tømmerbadstuer er en fantastisk, naturlig og kvalitetsrik løsning, der du kan velge mellom gran eller furu som råmateriale. Les mer om tømmerbadstuer.
  2. Polar-Precut badstuer: Precut-konstruksjonene leveres som deler til byggeplassen, ferdig merket og pakket etter arbeidssteg. Les mer om Precut-konstruksjonsbadstuer.

Finn Den Perfekte Badstuen eller Badstuehytta hos Finnish Polarlog!

Utforsk Finnish Polarlogs badstuer og badstuehytter, hvor tradisjonell finsk håndverkstradisjon møter moderne design. Våre badstuer tilbyr den perfekte plassen for avslapning og velvære, enten du er en fan av den tradisjonelle eller moderne stilen.

Skreddersy Badstuen Etter Dine Ønsker

Velg en tradisjonell valmtak eller et moderne saltak for din badstue – begge gir et særegent preg og oppfyller dine estetiske behov. Du kan også velge fasadefarge og materialer etter egen smak, slik at badstuen smelter perfekt sammen med omgivelsene.

Skreddersydd Design Etter Dine Krav

Vi tilbyr muligheten for tilpasset design, slik at du kan forme våre badstuemodeller etter dine ønsker og behov. Vårt erfarne team er klare til å hjelpe deg gjennom hver fase, og sørger for at sluttresultatet blir akkurat slik du ønsker.

Spør Mer og Realiser Badstuedrømmen Din

Ta gjerne kontakt og spør mer om Finnish Polarlogs badstuer og badstuehytter. Finn den perfekte badstuen hvor du kan nyte avslappende øyeblikk og skape uforglemmelige minner. La oss hjelpe deg med å finne badstuen som passer perfekt til din livsstil og dine preferanser!